Contenu enregistré dans myHoval

Fichier enregistré dans myHoval

Une erreur est survenue lors de la sauvegarde du contenu dans myHoval.

Solutions de conteneurs sur mesure pour les projets de réseaux de chaleur de toutes dimensions

Approvisionnement flexible en chaleur avant que le réseau ne soit prêt

La construction d'un nouveau réseau de chauffage entraîne souvent une interruption temporaire de l'approvisionnement: il faut plusieurs mois avant que le réseau soit pleinement opérationnel, alors que les ménages, les entreprises et les institutions publiques de la zone desservie ont déjà besoin de chauffage.
C'est là qu'interviennent nos centrales thermiques sous forme de conteneurs: elles sont faciles à installer et rapidement opérationnelles, garantissant ainsi un approvisionnement fiable en chaleur avant que le réseau ne soit entièrement développé.

Qu'il s'agisse d'une solution temporaire pour la phase de construction ou d'une centrale de chauffage permanente, nos conteneurs prêts à être raccordés fournissent de la chaleur exactement là où elle est nécessaire. Rapides, évolutifs et adaptés sur mesure à vos besoins.

Vos avantages en un coup d'œil

Conçues sur mesure et adaptées à vos besoins

Chaque centrale de chauffage est adaptée précisément à votre projet, en fonction des spécifications techniques, des conditions du site et des exigences de performance. Pas de compromis, mais des solutions sur mesure.

Monté. Testé. Prêt à l’emploi.

Entièrement montée en usine, testée et livrée prête à être raccordée, elle minimise les efforts sur place et garantit une mise en service rapide et sans difficulté.

Tout sous contrôle, à tout moment

Le logiciel HovalSupervisor vous permet de surveiller et de commander votre installation de manière centralisée. Visualisation, accès à distance, messages d'erreur et évaluation des performances inclus – pour un contrôle total et une sécurité de fonctionnement maximale.

Ce contenu a été bloqué en raison de vos paramètres de cookies. Pour le visualiser, veuillez mettre à jour vos paramètres de cookies pour la publicité ciblée et les fonctionnalités.

Aussi flexibles que votre projet – des centrales de chauffage sur mesure

Nos solutions de conteneurs sont aussi flexibles que votre projet et sont adaptées individuellement au site, au concept d'approvisionnement et aux exigences techniques. Grâce à une architecture modulaire, nous combinons différentes enveloppes de construction avec les générateurs de chaleur qui conviennent exactement à votre application, qu'il s'agisse de réseaux de chauffage à distance municipaux, d'installations industrielles ou d'approvisionnement temporaire en chaleur sur les chantiers.
Vous avez le choix entre des conteneurs en acier, des modules en bois ou des cellules en béton, en fonction de l'espace disponible, des spécifications de conception ou des exigences en matière d'isolation acoustique. À l'intérieur, nous misons sur une technologie moderne: chaudières à combustibles fossiles ou à biomasse, pompes à chaleur ou solutions hybrides, complétées par une technologie de stockage, de distribution et de commande intégrée. Cette grande configurabilité permet non seulement une planification efficace et une mise en œuvre rapide, mais aussi une utilisation flexible: les installations peuvent être déplacées, agrandies ou intégrées dans des systèmes existants et restent ainsi opérationnelles à long terme.

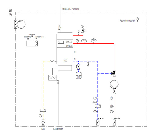
Schéma T+I personnalisé – une planification précise pour une sécurité de fonctionnement maximale

Un schéma T+I (schéma des tuyauteries et des instruments) précisément adapté fait partie intégrante de chaque solution de conteneur Hoval. Il présente clairement l'ensemble de la technique de l'installation, avec toutes les tuyauteries, vannes, capteurs, générateurs de chaleur et boucles de régulation.

Le schéma personnalisé constitue la base d'une planification conforme aux normes, d'une coordination claire des interfaces et d'un montage sans problème. Il garantit également la clarté lors de l'exploitation ultérieure, notamment pour la maintenance, l'extension et l'intégration du système. 

Chaque schéma T+I est adapté avec précision aux exigences techniques de votre projet, en fonction de la puissance, du système hydraulique et des conditions locales. Cela garantit une sécurité de fonctionnement et une efficacité maximales, ainsi qu'une documentation complète. 
Un modèle 3D détaillé de l'ensemble de l'installation est créé à partir du schéma T+I. Cette élaboration numérique permet non seulement une visualisation précise de tous les composants, mais sert également de base pour la fabrication et le montage des systèmes en usine.

Logiciel HovalSupervisor Software – commande intelligente pour un contrôle maximal

Le logiciel HovalSupervisor vous permet de contrôler votre centrale énergétique de manière numérique, en temps réel, sur place ou à distance. La technologie de contrôle intégrée affiche clairement toutes les données d'exploitation et permet une commande à distance pratique.

La plateforme s'adapte de manière flexible à la structure de votre projet et offre des messages d'erreur automatisés avec une logique d'escalade intelligente ainsi que des analyses de fonctionnement complètes. Grâce aux interfaces BACnet, Modbus et OPC UA, le système de commande s'intègre facilement dans les systèmes de contrôle existants.
Vous garantissez ainsi une transparence totale, des processus fluides et une sécurité de fonctionnement maximale.

Solution de conteneur personnalisée – individuelle et simple

Vous planifiez un projet de chauffage et souhaitez mettre en place une solution de conteneur sur mesure? Nos experts Hoval se feront un plaisir de vous conseiller personnellement. Ensemble, nous analyserons vos besoins, clarifierons les détails techniques et vous accompagnerons étape par étape vers la centrale de chauffage optimale. 
Contactez-nous et démarrez votre projet avec un conseil personnalisé. Nous nous réjouissons de réaliser votre solution!

YADOS – Site de production de solutions de chauffage à distance et part du groupe Hoval

YADOS est le centre de production du groupe Hoval pour les solutions modernes de chauffage à distance. Sur le site de Hoyerswerda (D) sont notamment fabriquées des centrales énergétiques prêtes à être raccordées au format conteneur, conçues sur mesure et optimisées pour une efficacité et une qualité maximales.

Fort d'une longue expérience, d'un haut degré d'intégration verticale et d'une expertise technique, YADOS fournit des systèmes sur mesure pour répondre aux exigences les plus diverses. En tant que membre du groupe Hoval, YADOS est un élément central dans la mise en œuvre de solutions globales intégrées, de la planification à la mise en service.

Formulaire de demande : la première étape vers la solution de conteneur adaptée

Des données de projet précises sont la base d'une ingénierie rigoureuse : commencez ici.